Sign In | Join Free | My qualitytoyschina.com
China Zhengzhou Great Electric Co.,Ltd. logo
Zhengzhou Great Electric Co.,Ltd.
Grow with our partner n the wordwide
Site Member

5 Years

Home > Meter Test Bench >

Serial Connection Water Meter Test Equipment Semi Automatic

Zhengzhou Great Electric Co.,Ltd.
Contact Now

Serial Connection Water Meter Test Equipment Semi Automatic

  • 1
  • 2
  • 3

Brand Name : HNMC

Model Number : LJS15-25

Place of Origin : China

MOQ : 1

Payment Terms : L/C, T/T, Western Union, MoneyGram

Delivery Time : 4-8weeks

Packaging Details : Wooden Package

Price : Negotiable

Supply Ability : 10 sets per month

Test Meter Size : DN15-25

Meter Positions : 8Nos

Operation mode : Semi-automatic

Accuracy : 0.2%

Size : 4400*1860*2200

Number of Meter : DN15×8,DN20×5,DN25×4,

Storage Tank : 3m³

Pressure Tank : 0.5m³

Contact Now

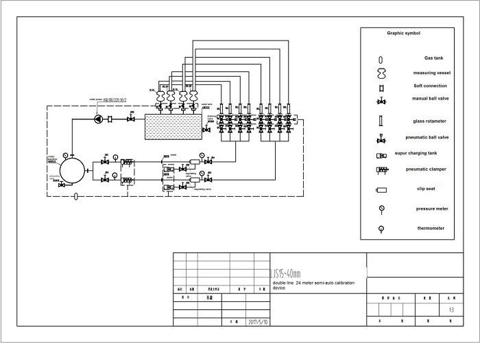
DN15/25 8 meters serial connection semi-automatic water meter test bench

Water meter test bench(Manual)
Caliber 15-25
Model In series Test
Size(mm)  4400*1860*2200
Number of Meter DN15×8,DN20×5,DN25×4, Single
Glass Rotameter DN15/25/50/80 DN15/25
Vessel 10L/20L 100L/500L 10L/20L 100L/500L
Class 0.20% 0.20%
Flow Range 0.016m³/h~40m³/h 0.016m³/h~40m³/h
Optional
Pump Q=50m³/h H=50m N=15Kw Q=50m³/h H=50m N=15Kw
Storage Tank 3m³ 3m³
Pressure Tank 0.5m³ 0.5m³
Pressure-tight test 0-2MPa 0-2MPa
Liquied level photoelectrical DC5V,4 DC5V,4
Controller of Photoelectric Sensors Receive photoelectric signal and control valve Receive photoelectric signal and control valve

DN15/25

8 meters serial connection semi-automatic water meter test bench

Configuration list

Sr. Item specification origin Qty.
1 work capacitor and drainage bottom valve 66L S stainless steel (2mm) NINGBO 1set
2 Glass rotameter LZB-15S NINGBO 1pcs
LZB-25S 1pcs
3 Meter holder DN25 S=80mm stainless steel MINGTAI 1set
4 Straight pipe DN15×8,DN20×6,DN25×5 meter straight pipe ≥2D,(wall thickness3.5mm) MINGTAI 1set
5 Working table and accessories Working table rack, rack, connect pipe, flange, elbow bend etc. MINGTAI 1 set
6 High speed photography module MTSX-1 MINGTAI 10 set
7 PC

2.8G or better /1G/160G/

20`` LCD screen

HUNTKEY 1 set
8 software Quality testing method software MINGTAI 1 set
9 Control box Exclusive use for quality testing method MINGTAI 1set
10 Communication controller Exclusive use for quality testing method MINGTAI 1set
11 Steady flow device (filtration) 500L MINGTAI 1set
12 Pressure sensor 0-2.5MPa MIKE 2 set
13 Temperature sensor 0-50℃ MIKE 1set
14 Pressure retaining valve components P≥2MPa MINGTAI 1set
15 pump Q=6.3m³/h H=50m N=3Kw SOUTH 1 set
16 tank 1000L MINGTAI 1set
17 transducer 3KW MISUBISHI 1 set
18 Air compressor 0.05 m3/min-0.8 AOTUSI 1 set
19 Water supply pipe Wall thickness 3.5mm or better MINGTAI 1 set

Serial Connection Water Meter Test Equipment Semi Automatic


Product Tags:

3m3 Water Meter Test Equipment

      

DN25 Water Meter Test Equipment

      

8 meters mte meter test equipment

      
Quality Serial Connection Water Meter Test Equipment Semi Automatic wholesale

Serial Connection Water Meter Test Equipment Semi Automatic Images

Inquiry Cart 0
Send your message to this supplier
 
*From:
*To: Zhengzhou Great Electric Co.,Ltd.
*Subject:
*Message:
Characters Remaining: (0/3000)